Jesteś tutaj: strona główna » produkcja » elektronika » RTT4
Specyfika naszych produktów powoduje że swoje działania opieramy na solidności i precyzji wykonania. Dlatego nie ma dla nas najmniejszych szczegołów o które nie warto zadbać!
Układ kontroli temperatury transformatorów RTT4
1. Dokumentacja do pobrania
2. Wstęp
3. Zastosowanie
4. Dane techniczne
5. Instalacja
6. Budowa
7. Działanie
8. Programowanie
9. Stany awaryjne
10. Schemat blokowy
11. Szkic układu z wymiarami
12. Opis wyprowadzeń
1. Dokumentacja do pobrania![]()
2. Wstęp
Przekaźnik elektroniczny RTT-4 jest przeznaczony do wykrywania przekroczenia temperatury przez transformatory wyposażone w czujniki typu PTC lub NTC.
3. Zastosowanie
Układ RTT4 przeznaczony jest do nadzorowania temperatury transformatorów suchych iżywicznych wyposażonych w czujniki typu PTC lub NTC. Układ kontroluje maksymalnie trzy progi temperatur. Wyjściem układu dla każdego z czujników temperatuy jest przekaźnik ze stykiem przełącznym 8A/380V.Trzeci z przekaźników może pracować jako układ czasowy załączający się ze zwłoką 5 sekund od podania zasilania na układ.
4. Dane techniczne:
5. Instalacja:
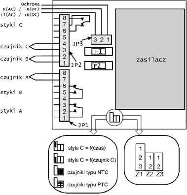
Układ należy zamocować mechanicznie do podstawy trzema wkrętami M4 przez otwory w dolnej części obudowy. ( wymiary na rysunku gabarytowym). W zależności od typu zastosowanych czujników i sposobu wykorzystania trzeciego toru, ustawia się odpowiednio zwory na płytce drukowanej zgodnie z opisem podanym niżej. Podłączyć ochronę, zasilanie i czujniki. Styki przełączne połączyć według potrzeb. Układ nie wymaga regulacji. Położenie pracy dowolne. Zaciski przyłączeniowe o średnicy max 2,5mm2.
Dla ułatwienia montażu schemat blokowy RTT-4 i jego wyprowadzenia przedstawione są na rysunku wewnątrz obudowy.
6. Budowa:
Do wejść pomiarowych urządzenia można przyłączyć maksymalnie trzy czujniki o rezystancji 1kom dla temperatury nominalnej.
Różnice w działaniu przy różnych położeniach zwor są omówione w części programowanie.
Każdy z czujników jest sprawdzany w układzie mostkowym przez własny komparator z histerezą. Komparator uruchamia bądź wyłącza odpowiedni element wykonawczy. Elementami wykonawczymi są przekaźniki RM96P.
Alternatywnie, tor C można skonfigurować tak, że jego przekaźnik zostanie załączony po czasie 5 sekund od podania zasilania na układ .
Zastosowany w urządzeniu zasilacz impulsowy pozwala na poprawną pracę przy zasilaniu napięciem z zakresu 42-220 V DC/AC bez jakichkolwiek przełączeń.
Rozwiązanie zastosowane w układzie jest zastrzeżone.
7. Działanie:
Poprzez przełączanie zworek kodujących można uzyskać dwa podstawowe rodzaje pracy:
8. Programowanie:
Do ustawiania rodzaju pracy układu RTT-4 służą trzy zworki umieszczone na przełącznikch Z1 , Z2 i Z3.
9. Stany awaryjne:
Przekaźniki nie załączają się mimo prawidłowego stanu czujników: sprawdzić zasilanie układu - powinna się świecia lampka na zasilaczu wewnątrz układu. Sprawdzić czy są prawidłowo założone zworki na układzie kodującym, jeżeli objaw nie ustępuje należy skonsultować się z producentem. Objawy takie mogą wystąpić jeżeli układ został zniszczony lub zablokowany został zasilacz. Przyczyną może być wystąpienie wysokich potencjałów pomiędzy czujnikami lub pojawienie sie w napięciu zasilającym serii impulsów napięciowych o energii umożliwiającej przepalenie wewnętrznych bezpieczników lub warystora ochronnego ( np. wyładowania atmosferyczne).
Układ przełącza po podłączeniu czujników z zewnątrz, a nie działa na transformatorze: sprawdzić prawidłowość podłączeń czujników i ich rezystancje.
10. Schemat blokowy:

11. Szkic układu z wymiarami:

12. Opis wyprowadzeń: