Jesteś tutaj:  strona główna » produkcja » elektronika » RTW5

Specyfika naszych produktów powoduje że swoje działania opieramy na solidności i precyzji wykonania. Dlatego nie ma dla nas najmniejszych szczegołów o które nie warto zadbać!

Elektronika   


Układ kontroli temperatury transformatorów RTW5


1. Dokumentacja do pobrania


2. Wstęp

Układ pomocniczy sterowania wentylatora RTW5 przeznaczony jest do zalączania 1 fazowego wentylatora o mocy silnika do 2,2 kW.


3. Zastosowanie

Uklad RTW5 jest ukladem pośredniczacym, stycznikowym, do zwiększenia obciążalnosci prądowej wyjść ukladów serii RTT.


4. Dane techniczne:

  • Napięcie znamionowe zasilania 220V AC , 1 fazowe
  • Częstotliwość napięcia zasilającego 50-60Hz
  • Maksymalna moc pobierana przy zalączaniu 1,5 W/li>
  • Ilość wejść 1
  • Maksymalny prąd zalączania 16 A
  • Temperatura otoczenia ( praca ) -15 do + 55 C
  • Temperatura otoczenia ( przechowywanie ) -25 do + 80 C
  • Ochrona zerowanie lub uziemienie:
    Klasa ochronnosci 1
    Stopien ochrony IP 44
  • Gabaryty:
    szerokosc 85 mm
    wysokosc 200 mm
    wlebokosc 110 mm



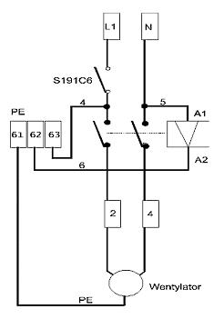
4. Instalacja:

Układ należy zamocowac mechanicznie do podstawy dwoma wkrętami M4 lub M5 przez otwory w dolnej części obudowy. Po przykręceniu układu do podstawy należy nałożyc na otwory kapturki ochronne ( wlożone do wnętrza układu na czas transportu ). Podlączyć do układu wentylator ( zaciski 2 i 4 stycznika , PE do zacisku 61 na listwie montażowej ). Podłączyć do układu zasilanie 220 V AC ( L1 do do zacisku bezpiecznika S191 C6 , N do zacisku 3 stycznika oraz PE do zacisku 61 na listwie montażowej ). Połączyć układ RTW5 z układem RTT x ( dla ukladów RTT4 i RTT5 zaciski JP1-1 i JP1-3 połączyć odpowiednio z zaciskami 62 i 63 układu RTW5 ). Uklad nie wymaga regulacji. Pozycja pracy pionowa.


5. Schemat blokowy: